by Mike Zurl mzurl@worldnet.att.net

If you can't find a wrist slate that suits you, think about designing and making your own. If you already have the tools, expect to spend less than $5. That's right, just under a fin and a little time will get you the slate of your dreams. Impossible you say! Pull up a chair and follow the plan!
MATERIALS
1. One 4inch X 10ft white sewer pipe, cost, about $3.97 at Home Depot (makes 30 slates)
2. Sabre saw or coping saw
3. Electric drill with a 3/8 metal bit
4. Coarse file and sandpaper
5. Thin paper board or manila folder and pencil
6. Clear Plexiglas 1/8" thick and 3 _"L X 4 _"W or to fit your slate
7. Lens fasteners of your choice (brass, S/S screws, cable ties or tubing)
Over time, I have constructed a variety of wrist slates. I will share the plan for a unique design you can copy or modify to your liking. I will include some ideas to help you expand on its' potential and suit your personal needs. OK...lets get started!
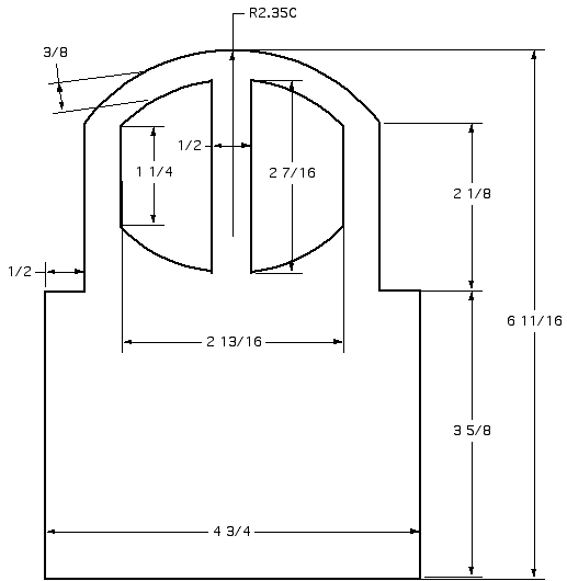
Get yourself to the building supply store and buy the sewer pipe. You do not want or need the heavy wall material. What you need will have a wall thickness of 2mm or slightly over 1/16 inch. Thicker PVC material is unnecessary and will not mount your bottom timer as well. Contractors and plumbers often have scrap pieces of what you need laying around. You will only require a 7-8 inch length. Follow the sketched templates provided. The labeled dimensions will provide a good starting point. Remember, this is an opportunity for you to custom design your own. Note: My unique design custom mounts a uwatec digital bottom timer. I also provided a pattern for mounting the Aladin line of wrist mounted computers. You may want yours for something else and should modify the design accordingly.
Make your template from the cardboard backing from a pad of paper or a manila file folder. Use it to make a template of your design or copy the template I have provided. Look at my thumbnail pattern for dimensions. Be careful and do not cut yourself while making the template.

Lay your finished template over the white sewer pipe and trace it with a pencil. Avoid the flared end of pipe for this project. You will need to drill some holes for the saw blade to fit into the computer cutout section. Keep holes inside the penciled pattern. After your slate is cut, you will need to file the edges smooth and straight. Create a bevel under the two outer most inside edges of the computer cutout. This will allow the uwatec strap shoulders to slip under the cutout edge. Rough edges can be smoothed with sandpaper and to remove all factory print and scuffs. Fit your computer or bottom timer straps into your cutout. If you are mounting a uwatec bottom timer, it should fit snugly within the cutout. Slip one wrist strap shoulder under one side of the cutout. Next, use both thumbs to slightly bend and slip the other shoulder under. This should take minimal effort and lock the bottom timer in place. This process goes smoothly if a proper bevel is created under the cutout edge. The bevel provides a plane for the shoulder to glide into place. It is now securely integrated with the slate. This is the only design that provides an active mount to the slate. If you are making a computer mount with two elongated slots, it provides a passive computer mounting system. Many divers use their slate to carry decompression information. In the following narrative I offer options to help retain and read your schedule.

More
Long ago, I gave up trying to read those penciled in deco schedules. After age 40, my eyes began pleading for help. A prescription lens for my mask wasn't enough. I used deco planner software to produce computer generated decompression schedules. Using the enlarge mode of a copier, I produced enlargements of the hard copies. Then, I took the enlarged prints and made a plastic copy. The same as what you might use on an overhead projector. From the plastic sheets, I cut out the portion I needed and color coded it with a permanent marker. The 20 ft column was colored green to indicate a switch to oxygen and yellow to indicate a switch to nitrox. This made my eyes happy and reduced my risk of error. You can also do this with paper schedules and seal it with tape. A thermal laminator does a great job!
After creating the schedules I commonly use, I needed a way to organize and store them in my 3-ring binder log book. I bought a package of photograph album photo pockets. Each 11"X 9" sheet has four 3 _"X 5" pockets per side. These were perfect for organizing and storing my schedules in an easily accessible package.
Making a Plexiglas Lens
I wanted a way to simplify reusing and preserve the schedules. Locating the deco schedule next to my bottom timer where it could be easily read was paramount. Many divers secure their schedule with tape but something more substantial was desired. Experiments with Plexiglas were encouraging. All the Plexiglas I used were scraps from a window business and free. I discovered Plexiglas can be heated and shaped quite easily. For this operation first cut a piece of Plexiglas to fit your slate and smooth rough edges with a bench grinder. Bevel the top four corners to reduce the raised point. Preheat your kitchen oven to about 150 degrees Fahrenheit. Make it too hot and the Plexiglas will develop bubbles. Locate the oven shelf on a low middle track, not on the bottom. Place a sheet of aluminum foil on the shelf for the Plexiglas to lay on. After placing the Plexiglas in the oven, watch it closely. You want to make it pliable, not melt it. Better to try shaping it too early than make it too soft. You can always put it back in the oven but you can't remove bubbles and discoloration caused by too much heat.
Shaping The Lens
Before you soften the lens, you better set up your shaping form. Lay the uncut portion of sewer pipe across the back of two chairs and tie or tape it down. I prefer duct tape. The chair backs do not need to be any more than 12 inches apart. Remove your soften lens from the oven and quickly place it and the aluminum foil on your pipe. Lay another piece of foil on top of the Plexiglas. Keep the foil wrinkle free and the lens square to the pipe. Any wrinkles will be imprinted on your lens. Fold a kitchen or hand cloth about 5 inches wide. Pay attention to how you shape your rectangular lens. Curve the wrong side of the rectangular form, and you will hold your IQ in question. If you fail to keep everything square with the pipe, your finished lens will not be square with your slate. Drape your folded towel over the Plexiglas and pipe. You will have one hand on each towel end as your arms straddle the sewer pipe and push down. You need to keep the pressure on the Plexiglas until it hardens or a couple minutes. Congratulations! You are almost done with your custom Plexiglas lens.
Securing the lens
There are several methods of securing the lens to your slate. Which one you choose will depend on your intended use and confidence in the method. I will describe three and offer advantages and disadvantages of each. My effort with Velcro was unfavorable and will not be discussed here. Velcro proved unreliable in keeping the lens closed during vigorous activity. Just thought I'd mention it.
First Method
Securing the lens with screws will provide a very secure attachment. Adding S/S screws with lock nuts make it bulletproof. It will also make accessing the schedule more difficult. This method might be the choice of someone making several slates to permanently store different schedules. Mount your bottom timer on the slate with the schedule you will need. Remember, one length of pipe makes 30 slates. If this suits you, read on.
Procedure: Drill one hole about 3/8" in from the edge through both lens and slate. If you use brass 6-32 X 3/8 long, round head machine screws, your first hole should be 7/64. This will enable you to thread the screw directly into the white slate. If you don't over-tighten the screws, the threaded plastic will be adequate. If you over-tighten, the threaded hole will be stripped. This will force you to move up in size or use a full length screw with lock nut. You still need to enlarge the lens hole to 9/64. This will allow the screw to freely pass through the lens. If you choose to turn the screws directly into the PVC, reducing their length will be in order. Before grinding them to proper length, thread a nut down to the head. After grinding the screw to length, wire brush the threads and back off the nut to straighten the threads. The threaded end should be rounded. Be sure you estimate the required screw length with the lens and schedule in place. Measure twice, cut once! If this is not secure enough for you, leave the full 3/8" screw length and add a self locking nut. You should now be ready to sandwich your schedule between the lens and slate.
Second Method
Cable ties do a great job of securing the lens in place. This technique provides a very secure union to the slate and provides easier access to the schedule. The lens will hinge on two ties but the others must be removed to access the schedule. Each time you remove the schedule, two new ties will be required. Procedure: With the lens in place, drill four 1/8" holes about _" in from the corners. Use appropriate size cable ties to secure the lens. Over time, the harsh marine environment will cause the cable tie locking mechanism to fail. That said, ties should be changed regularly to maintain reliability.
Third Method
Surgical tubing provides a good compromise for those who need convenient access to their schedules. I used 3/16 OD platinum cured tubing, it is more durable than other varieties. It is in your best interest to regularly check the condition of the tubing and replace as needed. Procedure: With the lens in place, drill two 1/8" holes about _" in from the corners that will be your hinge side. Angle slice the end of a short section of surgical tubing creating a point. This will make threading the tubing through the holes much easier. Pull a length through each of the two holes that will be the hinge and tie a square knot. The other side will be done differently. You will need to drill an 1/8" hole about _" in from the bottom timer side of the lens. From this point, a loop of tubing will stretch around and into a slot on the other side. This will hold the lens closed. On the other side, drill a 3/16" hole _" in from the outside edge bottom. You will need to open the area from the hole to the outside creating a notch in both slate and lens. Make the notch grove narrower than the hole, about 1/8" wide. You want the grove to keep the tubing in it's hole. The hole on the bottom timer side should be on the same plane as the hole on it's opposite side. It should be about _" up from the bottom edge. You need to make a loop from surgical tubing that will stretch around the bottom edge of the slate and lens. It will need to be taut and lock into the notch you made on the outside edge. Use an overhand knot to tie the tubing ends together. Keep this knot near the notch and use it as a finger hold to release the tubing and open the lens.
Final Note
You may find integrating two of these methods suits you best. For instance, you could hinge one side of the lens with cable ties and secure the other with tubing. Use your imagination and create something that is specific to you needs and you have confidence in. I hope these examples have been food for thought and have helped you design the wrist slate of your dreams. Good Luck!
Michael Zurl <mzurl@worldnet.att.net>